|
|
№1
08 04 2019, 18:58
Доброго времени суток!
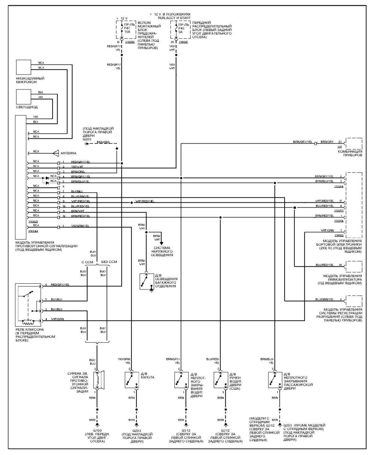
Хочу на штатную сигнализацию добавить функцию GSM мониторинга на SIM800L. (проверка состояния постановки на охрану, концевики дверей, возможно температуру, и звонок на телефон при срабатывании тревоги) По концевикам вроде все понятно. Сигнал "тревога" можно взять с сирены. Хотя если закодировать бесшумный режим, то возможно есть другой сигнал тревоги? И самое главное не могу найти по схеме сигнал "охрана включена". Брать импульсный сигнал от лампочки зеркала как-то не хочется. подскажите пожалуйста по сигналам кто в курсе, если такие есть конечно.
|
|
№2
08 04 2019, 20:08
Rolf74
всё в К-линии ..... |
Рекомендуем почитать на тему Сигнал "охрана включена" в штатной сигнализации E46
|
Кто сейчас на форуме |
Сейчас этот форум просматривают: нет зарегистрированных пользователей и гости: 2 |
Вы не можете начинать темы
Вы не можете отвечать на сообщения
Вы не можете редактировать свои сообщения
Вы не можете удалять свои сообщения
Вы не можете добавлять вложения





